top of page

Талреп в сборе раскрытый

Талреп в сборе стянутый

СпецификацияТалреп оттяжек дымовой трубы _ Т1-КЦ-2014.05.16.00.000СБ

Талреп оттяжек дымовой трубы _ Т1-КЦ-2014.05.16.00.000СБ

Винт для талрепа оттяжек дымовой трубы _ Т1-КЦ-2014.05.16.00.002(003)

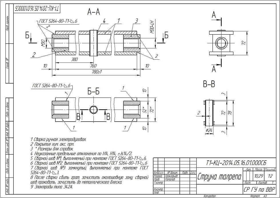
Струна талрепа _ Т1-КЦ-2014.05.16.01.000СБ

Струна талрепа _ Т1-КЦ-2014.05.16.01.000 СБ

Пластина _ Т1-КЦ-2014.05.16.01.001

Гайка М30 _ Т1-КЦ-2014.05.16.01.002

Гайка М30-LH _ Т1-КЦ-2014.05.16.01.003
Чертеж талрепа оттяжек металлической дымовой трубы котлоагрегата ТЭЦ-1
bottom of page



